Ruichen Sealing is a professional manufacturer of VRM/VRME water seals. Our technology demonstrates exceptional tracking and compensation capabilities for minute deformations and runout in ultra-large shaft diameters. Choosing custom-made Ruichen VRM/VRME water seals is the ultimate guarantee for zero leakage and ultra-long service life. In critical applications such as the slewing bearings of giant port cranes, the main shafts of hydroelectric generator sets, or the main drives of large tunnel boring machines, the reliability of the seals is paramount.
Purchasing Ruichen VRM/VRME series water seals provides these critical national infrastructure projects with customized protective armor. Our factory has provided VRM/VRME product solutions for numerous major engineering projects and is highly trusted by top equipment manufacturers.

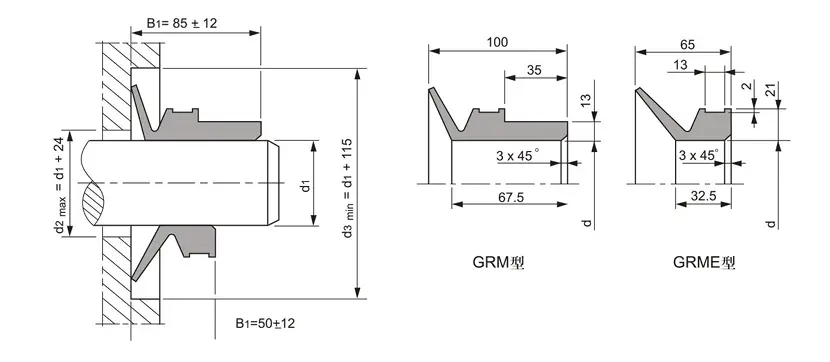
VRME Part Specifications and Groove Dimensions Table:
Note: Products up to 6000mm in length are available.
|
Product Number |
Shaft diameterd1 |
inner diameter d |
|
VRM/VRME420 |
420-425 |
410 |
|
VRM/VRME425 |
425-430 |
415 |
|
VRM/VRME430 |
430-435 |
420 |
|
VRM/VRME435 |
435-440 |
425 |
|
VRM/VRME440 |
440-445 |
429 |
|
VRM/VRME445 |
445-450 |
434 |
|
VRM/VRME450 |
450-455 |
439 |
|
VRM/VRME455 |
455-460 |
444 |
|
VRM/VRME460 |
460-465 |
448 |
|
VRM/VRME465 |
465-470 |
453 |
|
VRM/VRME470 |
470-475 |
458 |
|
VRM/VRME475 |
475-480 |
463 |
|
Product Number |
Shaft diameterd1 |
inner diameter d |
|
VRM/VRME570 |
570-575 |
555 |
|
VRM/VRME575 |
575-580 |
560 |
|
VRM/VRME580 |
580-585 |
565 |
|
VRM/VRME585 |
585-590 |
570 |
|
VRM/VRME590 |
590-600 |
575 |
|
VRM/VRME600 |
600-610 |
582 |
|
VRM/VRME610 |
610-620 |
592 |
|
VRM/VRME620 |
620-630 |
602 |
|
VRM/VRME630 |
630-640 |
612 |
|
VRM/VRME640 |
640-650 |
621 |
|
VRM/VRME650 |
650-660 |
631 |
|
VRM/VRME660 |
660-670 |
640 |
Address
No.1 Ruichen Road, Dongliuting Industrial Park, Chengyang District, Qingdao City, Shandong Province, China
Tel