Qingdao Ruichen Sealing Technology Co., Ltd.
Qingdao Ruichen Sealing Technology Co., Ltd.
Products
X
IMG
VIDEO

PTFE Spring-Energized Face Seals

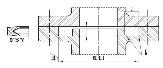
Welcome to purchase Ruichen's RC2876, a PTFE spring-energized face seal suitable for unidirectional pressure static sealing applications such as axial (end face) and flange seals. It can be used in applications where surface roughness is less than ideal. We have R&D, innovation, and manufacturing capabilities for seals, making us a reliable supplier.

The RC2876 seal consists of a stainless steel spring and high-performance plastic.  The stainless steel spring can be either a V-shaped or O-shaped spring. When using RC2876-B, the appropriate elastomer material must be selected.

 

Applicable operating conditions (extreme values should not occur simultaneously)

Pressure (MPa)

Speed (m/s)

Temperature (°C)

Medium

RC2876

RC2876-B

-

RC2876

RC2876-B

All liquids, chemicals, and gases

<40

<80

-200~+250

-35~+250

Material Selection

1. The accompanying O-ring materials can be selected from: R01 Nitrile rubber (NBR), R02 Fluororubber (FKM), etc.

2. Sealing ring materials: PTFE1, PTFE2, PTFE3, PTFE4, UPE, PK1, PK2, etc.

3. Stainless steel springs can be selected from O-shaped springs and V-shaped springs.


Order example

RC2876-40-PTFE4+V:  Inner pressure groove outer diameter is 40, sealing ring material is PTFE4, spring is V-shaped spring.

RC2876-B-40-PTFE4+R02: Inner pressure groove outer diameter is 40, sealing ring material is PTFE4, matching O-ring is made of fluororubber.

Note: If an extended range is required, please use the series number.

Specifications Table (All specifications within the parameter range are available)

Serial number

Serial number

Standard range

DH11

Extended scope

DH11

Groove depth

h-0.05

Groove width

L+0.2

Rounded corners

Rmax

RC2876-0

RC2876-B-0

10~13.9

10~40

1.45

2.4

0.4

RC2876-1

RC2876-B-1

14~24.9

13~200

2.25

3.6

0.4

RC2876-2

RC2876-B-2

25~45.9

18~400

3.1

4.8

0.6

RC2876-3

RC2876-B-3

46~124.9

28~700

4.7

7.1

0.8

RC2876-4

RC2876-B-4

125~999.9

45~1000

6.1

9.5

0.8

RC2876-5

RC2876-B-5

≥1000

≥100

9.5

15.0

0.8

 

Hot Tags: PTFE Spring-Energized Face Seals
Send Inquiry
Contact Info
Get competitive prices, technical support, and fast responses. Send your specifications to Ruichen for tailored sealing solutions. Free samples available.
X
We use cookies to offer you a better browsing experience, analyze site traffic and personalize content. By using this site, you agree to our use of cookies. Privacy Policy
Reject Accept